Produk
HOME > Produk
Transformer voltase JDZX9-35D / 290
  • Transformer voltase JDZX9-35D / 290Transformer voltase JDZX9-35D / 290
  • Transformer voltase JDZX9-35D / 290Transformer voltase JDZX9-35D / 290
  • Transformer voltase JDZX9-35D / 290Transformer voltase JDZX9-35D / 290

Transformer voltase JDZX9-35D / 290

Comewill, produsen trafo voltase profesional ing China, kanthi bangga nampilake Transformer Tegangan JDZX9-35D/290, dirancang kanggo kinerja sing stabil lan akurat ing sistem tenaga 35kV.

Dirancang kanthi insulasi pengecoran resin epoksi lan struktur ruangan sing ditutup kanthi lengkap, Transformer Tegangan JDZX9-35D / 290 pabrik Comewill njamin presisi sing dhuwur, daya tahan sing kuat, lan linuwih jangka panjang. Iki digunakake kanthi wiyar ing pangukuran energi, pemantauan voltase, lan proteksi relay, dadi solusi sing cocog kanggo jaringan listrik modern lan aplikasi industri.

Jeneng Tipe

Welcome (Wenzhou) Electric Co., Ltd JDZX9-35 trafo voltase, model ngemot informasi struktural lan panggunaan tombol, kang bisa gampang disassembled lan mangertos:

Model JDZX9-35 nggambarake karakteristik struktural lan fungsional utama:

J - Transformator Tegangan
D - struktur fase tunggal
Z - Insulasi resin epoksi
X - Kanthi nduwurke tumpukan voltase residual (kanggo proteksi grounding)
9 - Nomer urutan desain
35 - Dirating voltase: 35kV

Jeneng model iki langsung nyorot atribut inti JDZX9-35D / 290 Voltage Transformer: dirancang khusus kanggo sistem daya voltase medium, nggunakake insulasi resin cast, struktur fase siji, lan uga bisa dilengkapi gulungan voltase residual, cocog karo kabutuhan panggunaan sistem 35kV.

Ketentuan Layanan

Kanggo njamin operasi jangka panjang sing stabil, Transformer Tegangan JDZX9-35D/290 kudu digunakake ing kahanan ing ngisor iki:
Instalasi: mung nggunakake njaba
Suhu sekitar:
Maksimum: +40°C
Minimal: -25°C
Rata-rata saben dina ≤ 30°C
Altitude: ≤ 1000m (desain khusus dibutuhake kanggo papan sing luwih dhuwur)
Tingkat polusi: Cocog kanggo lingkungan Kelas IV
Atmosfer: Bebas saka bledug abot utawa gas korosif

Data Teknis

Jinis Rasio Tegangan (V) Kombinasi Kelas Akurasi Rated Output (VA) Output Maks (VA) Tingkat Isolasi Rated (kV)
JDZX9-35 35000/√3/100/√3/100/3 0.2/6P 30/100 600 40.5/95/200
0.5/6P 50/100
JDZXF9-35 35000/√3/100/√3/100/√3/100/3 0.2/0.2/6P 20/20/100 2×300
0,2 / 0,5 / 6P 25/30/100
0,5 / 0,5 / 6P 30/30/100

Kustomisasi & Pedoman Panggunaan

Comewill, minangka pemasok trafo voltase China sing berpengalaman, nyedhiyakake layanan kustomisasi fleksibel:
Rasio voltase khusus lan kelas akurasi kasedhiya
Solusi sing cocog kanggo syarat proyek tartamtu
Dhukungan kanggo desain non-standar
Cathetan panggunaan:
Gunakake mung rasio voltase siji kanggo pangukuran sing akurat
Ngindhari operasi multi-rasio bebarengan
Nyedhiyakake paramèter sing rinci nalika pesen kanggo njamin kinerja sing paling apik

Skenario Aplikasi

Transformer Tegangan JDZX9-35D/290 digunakake ing:
Sistem jaringan listrik
Gardu induk
Distribusi daya industri
Sistem pangukuran energi
Aplikasi proteksi relay

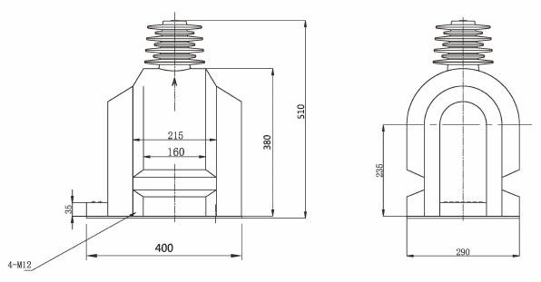
Njelaske nganggo bentuk garis lan dimensi saka Instalasi

Prinsip Wiring kanggo Transformers Tegangan DZX9-35KV

Informasi Pemesanan

Kanggo mesthekake trafo cocog karo syarat sistem sampeyan, mangga nemtokake:

Rasio voltase
Kelas akurasi
Dirating output
Persyaratan khusus (yen ana)

Kanggo solusi sing disesuaikan, tim teknis Comewill siyap nyedhiyakake dhukungan profesional saka desain nganti pangiriman, njamin operasi sing dipercaya lan efisien ing sistem tenaga sampeyan. Welcome kanggo hubungi kita lan njaluk penawaran saiki!

Hot Tags: JDZX9-35D/290 Transformer Tegangan, China, Produsen, Supplier, Pabrik, Grosir, Customized, ing Simpenan, Made in China, Low Price, Quality
Kirim Pitakonan
Info kontak
Kirimi pitakon menyang Comewill kanggo switchgear, pemutus sirkuit vakum, trafo saiki. Entuk kuotasi khusus, rega murah utawa dhukungan ahli saka tim pabrik China.
X
Kita nggunakake cookie kanggo menehi pengalaman browsing sing luwih apik, nganalisa lalu lintas situs lan nggawe konten pribadi. Kanthi nggunakake situs iki, sampeyan setuju kanggo nggunakake cookie. Kebijakan Privasi
nolak Nampa