Produk
HOME > Produk
GGJ Low Voltage Kombinasi Switchgear
  • GGJ Low Voltage Kombinasi SwitchgearGGJ Low Voltage Kombinasi Switchgear

GGJ Low Voltage Kombinasi Switchgear

GGJ Low Voltage Combination Switchgear sing dikembangake dening Welcome (Wenzhou) Electric Co., Ltd., produsen profesional ing China, nduweni desain dibantu komputer lan teknologi kontrol mikrokomputer terpadu kanggo nglacak lan ngimbangi daya reaktif kanthi cerdas. Nduweni struktur rasional lan teknologi sing diwasa, digunakake kanthi akeh ing jaringan listrik voltase rendah.

Minangka produsen profesional ing China, pabrik Comewill pengin menehi sampeyan kualitas GGJ Low Voltage Combination Switchgear, sing efektif nambah faktor daya, nyuda mundhut daya reaktif, lan nambah kualitas sumber daya. Dikontrol dening pengontrol cerdas, nawakake fungsionalitas lengkap lan kinerja sing dipercaya kanthi kompensasi otomatis, bisa nambah faktor daya nganti 0.9.

GGJ Low Voltage Combination Switchgear nyedhiyakake tampilan nyata-wektu saka faktor daya kothak, kalebu loro lagging (0.00-0.99) lan anjog (0.00-0.99). Nerangake dilengkapi fungsi pangayoman lengkap marang overvoltage, harmonics gedhe banget, overcompensation, faults sistem, phase mundhut, kakehan, lan liyane. Iki nahan paramèter sing disetel sanajan listrik mati, kanthi otomatis nerusake operasi sawise kothak stabil-ora ana personel ing situs sing dibutuhake.

Adhedhasar imbangan beban kothak, GGJ Low Voltage Combination Switchgear ndhukung kompensasi phase-by-phase utawa mode kompensasi campuran. Kanthi kemampuan anti-gangguan sing kuat, tahan pulsa gangguan amplitudo 2000V langsung saka kothak, ngluwihi standar industri nasional. Saben jam, piranti ngukur lan nyathet voltase telung fase, arus, frekuensi, daya aktif, daya reaktif, faktor daya, energi aktif, energi reaktif ing sisih voltase kurang trafo, uga tingkat distorsi total voltase / saiki lan konten harmonik kaping 2 nganti 25. Dilengkapi antarmuka RS-232 lan RS-485, ngidini transkripsi data liwat komputer genggam.

Liwat komunikasi remot, entuk maca meter nirkabel, tes piranti, konfigurasi parameter, lan akses menyang data wektu nyata lan direkam. Fungsi analisis data sing dibangun ndhukung pangolahan, statistik, lan pitakon data beban operasional. Iki ngevaluasi kualitas sumber daya kanthi lengkap kanthi ngitung tingkat kualifikasi voltase, tingkat beban, tingkat linuwih, lan tingkat beban maksimal. Pangguna bisa mriksa faktor daya, daya aktif, lan daya reaktif kanggo periode wektu sing beda-beda, ngasilake kurva kanggo voltase fase, arus, faktor daya, lan sapiturute, lan nyithak analisis lengkap lan laporan statistik.

Nindakake standar

IEC439: "Saklar voltase rendah lan peralatan kontrol"
GB7251: 《Saklar voltase rendah》

Katrangan jinis

Kondisi layanan normal

1. Suhu udara sekitar ora kudu ngluwihi +40 ℃ utawa ngisor -5 ℃, lan suhu rata-rata 24 jam ora bisa ngluwihi + 35 ℃. Yen watesan suhu kasebut dilewati, sampeyan kudu nyuda kapasitas operasi piranti adhedhasar kahanan sing nyata.
2. GGJ Low Voltage Combination Switchgear iki dirancang kanggo panggunaan njero ruangan mung, lan dhuwure situs instalasi kudu ora ngluwihi 2000 meter.
3. Nalika suhu maksimum tekan +40 ℃, asor relatif udhara sekitar kudu tetep ing 50%. Ing suhu sing luwih murah, asor sing luwih dhuwur bisa ditampa-contone, 90% ing +20 ℃. Sampeyan uga kudu nyathet kondensasi sok-sok sing bisa dibentuk amarga fluktuasi suhu.
4. Sajrone instalasi, ngiringake piranti saka bidang vertikal ora bisa luwih saka 5 °, lan kabeh baris lemantun kudu relatif tingkat. Penting kanggo nginstal piranti ing lokasi sing bebas saka geter lan impact sing abot, ing ngendi komponen listrik ora bakal kena korosi sing gedhe banget.

Jembar Kabinet (A) Kedalaman kabinet (B) Jarak lubang pemasangan (a) Jarak lubang pemasangan (b)
800 500 685 385
600 800 485 685
600 1000 485 885
800 800 685 685
800 1000 685 885
1000 800 885 685
1000 1000 885 885
Item Paramèter
Rated Insulation Voltage (V) 660
Rated Tegangan Operasi (V) 380/660
Tegangan Rated Circuit Tambahan (V) AC 220/380
DC 110/220
Frekuensi Operasi (Hz) 50-60
Rated saiki (A) Bus-bar horisontal <3150
Bus-bar vertikal 630/800
Dirating Short-wektu tahan Saiki Garis tengah (kA/1 s) 50
Bus-bar (kA/1 s) 30
Rated Peak saiki (kA/0.1 s) 105/50
Kapasitas Pecah Unit Fungsional (kA) 50 (nilai efektif)
Gelar Proteksi Kabinet IP40
Bus-bar Sistem telung fase papat kabel, sistem telung fase limang kabel
Mode operasi On-site, jarak lan otomatis

kekuwatan

1.Kanggo pertimbangan pengadaan: GGJ Low Voltage Combination Switchgear saka Welcome (Wenzhou) Electric Co., Ltd. dilengkapi karo sawetara slot ventilasi ing sisih ndhuwur lan ngisor kabinet. Desain iki nggawe aliran udara ngisor-kanggo-ndhuwur alami ing lemari sing disegel, kanthi efektif ngatasi tantangan boros panas kanggo operasi sing dipercaya.
2.Lawang instrumen switchgear-dilengkapi komponen listrik-lan bagean soyo tambah internal mbentuk sirkuit pangayoman grounding lengkap, njupuk lampahing grounding konsisten ing kabeh kaping.
3. We posisi busbars utama ing mburi ndhuwur kabinet, dipasangake karo AMJ-jinis busbar Clamps digawe saka dhuwur-kekuatan unsaturated polyester DMC / SMC bahan. Clamps iki menehi kekuatan mekanik lan kinerja insulasi sing luar biasa, dene tutup ndhuwur kabinet sing bisa dicopot nyederhanakake perakitan ing situs lan pangaturan busbar utama.
4.Kabinèt fitur lapisan wêdakakêna elektrostatik kanggo adhesion kuwat, lan kabeh komponen internal ngalami galvanization lan passivation pangobatan. Iki nambah kemampuan "telung-bukti" switchgear: tahan kelembapan, tahan bledug, lan tahan karat, nambah umur layanan ing macem-macem lingkungan.
5. Kanggo nyukupi kabutuhan proyek sing beda, GGJ Low Voltage Combination Switchgear ndhukung macem-macem pilihan entri kabel-entri ndhuwur, entri ngisor, lan entri mburi-nawakake instalasi fleksibel kanggo proyek pengadaan.

Pesenan instruksi

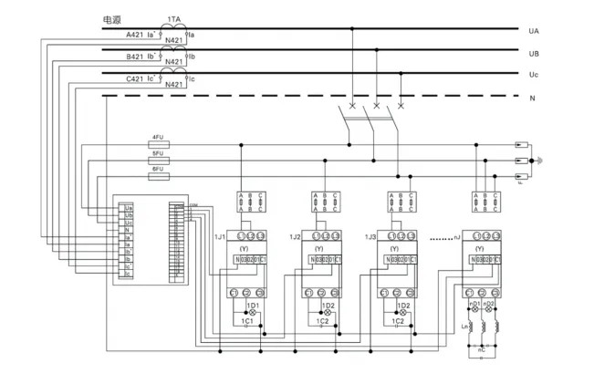
◇ Diagram sirkuit utama;
◇ Kapasitas kompensasi lan cara kompensasi;
◇ Yen ora cocog karo kahanan operasi normal produk, kudu kasebut sadurunge.


Hot Tags: GGJ Low Voltage Combination Switchgear, China, Produsen, Supplier, Pabrik, Grosir, Customized, ing Simpenan, Made in China, Low Price, Quality
Kirim Pitakonan
Info kontak
Kirimi pitakon menyang Comewill kanggo switchgear, pemutus sirkuit vakum, trafo saiki. Entuk kuotasi khusus, rega murah utawa dhukungan ahli saka tim pabrik China.
X
Kita nggunakake cookie kanggo menehi pengalaman browsing sing luwih apik, nganalisa lalu lintas situs lan nggawe konten pribadi. Kanthi nggunakake situs iki, sampeyan setuju kanggo nggunakake cookie. Kebijakan Privasi
nolak Nampa